欢迎进入PE聚乙烯储罐-化工钢衬塑储罐-螺旋板换热器-蒸发器生产厂家-河南双诚环境科技官方网站!
语言选择: ∷ 

废气焚烧炉

发布时间:2022-10-12浏览次数:4871
  • 废气焚烧炉
  • 废气焚烧炉

产品规格: 成套设备。

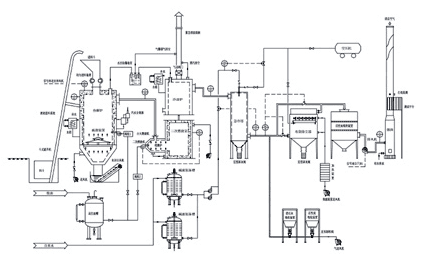
应用范围: 焚烧炉采用公司自主研发的雾化器,其混合程度、雾化效果、燃烧速度及效率高,过剩空气系数低,可节约大量燃料;雾化喷头口径大,对流体之粘度、杂质含量要求不高,不易堵塞;采用低压喷雾方式,比高压喷枪式安全,不易磨损,不易故障,燃烧效果好等优势。


产品介绍

废气焚烧炉在工业生产过程中,产生了大量废水,其中大部分是可以用常规生化或物理方式来处理,但还是有少量高浓度废水,废气焚烧炉的COD高达十几万甚至上百万,而且还含有机盐,传统的污水处理方法对此无能为力。


rto废气焚烧炉


  河南双诚环境科技有限公司设计制造废气,废液,固废三废焚烧治理设备的高科技企业,双诚针对目前中国工业三废污染的严重性,紧迫性,通过对国际三废处理技术的精心调研,依托高等院校,引进国外的焚烧技术,结合生产中实际情况,废气焚烧炉采用固液两用焚烧技术,国内的三废焚烧处理系统方案,解决当今工业环境污染问题。

废气焚烧炉


  采用公司自主研发的雾化器,其混合程度、雾化效果、燃烧速度及效率极高,过剩空气系数低,可节约大量燃料;雾化喷头口径大,对流体之粘度、杂质含量要求不高,不易堵塞;采用低压喷雾方式,比高压喷枪式安全,不易磨损,不易故障,燃烧效果好等优势。

焚烧炉领域

焚烧炉优势

  配图:

   

焚烧炉

焚烧炉



微信扫码微信扫码 关注我们

  • 移动电话16637325772

  • 24小时咨询热线16637325772

Copyright 2022 河南双诚环境 All Rights Reserved. 地址:河南省新乡市新乡经济技术开发区广源路和榆东街交叉口往南210米路西 备案号 豫ICP备13023472号-1 XML地图 | 豫公网安备 41070402000132号